Bài báo do nhóm tác giả: Nguyễn Xuân Tuấn,Trần Văn Như,Nguyễn Văn Bang, Đinh Thị Thanh Huyền,Lê Văn Anh Khoa Công Nghệ Ô tô, Trường Đại học Công Nghiệp Hà Nội và Khoa Cơ khí, Trường Đại học Giao thông Vận tải viết và được đăng tải trên Tạp chí Cơ KhíViệt Nam số đặc biệt tháng 09 năm 2016

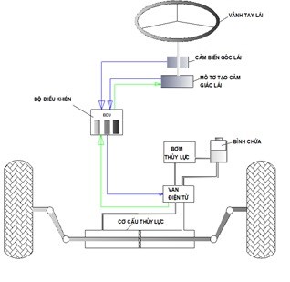
Tóm tắt: Steer By Wire là hệ thống lái không có truyền động cơ khí từ vành tay lái đến bánh xe dẫn hướng. Vành tay lái chỉ đóng vai trò tạo tín hiệu đổi hướng chuyển động. Việc dẫn động bánh xe dẫn hướng thực hiện đổi hướng chuyển động do bộ phận chấp hành của bộ điều khiển dẫn hướng thực hiện. Bài báo xây dựng bộ điều khiển dẫn hướng chuyển động ô tô cho hệ thống lái không trục lái loại điện tử - thủy lực trên cơ sở phương pháp điều khiển trượt. Luật điều khiển được áp dụng mô phỏng trên phần mềm Matlab – Simulink để đánh giá hiệu quả của bộ điều khiển thiết kế.
Nội dung bài báo: tải về tại đây
Thứ Ba, 16:59 11/04/2017
Copyright © 2018 Hanoi University of Industry.